



HTF(GYF)系列消防高温排烟轴流通风机概述、特点
1、HTF(GYF)系列消防高温排烟轴流通风机由上海交通大学和本公司联合研制开发,具有性能优良、耐高温性能好、效率高、占地比离心风机少、安装方便等特点。
2、HTF(GYF)系列消防高温排烟轴流通风机经国家固定灭火系统和耐火构件质量监督检验中心检测合格,公安部消防产品合格评定中心合法3CF认证证书,其性能达到国内领先水平,经全国三十多个省市的消防部门认可。该风机畅销全国各省(市)、自治区,并出口国际市场。
3、耐高温性能优良,风机按GA211-2009《消防排烟风机耐高温试验方法》:CNCA-C18-02:2014《强制性产品认证实施规则火灾防护产品》:CCCF-HZFH-03《强制性产品认证实施细则火灾防护产品消防防烟排烟设备产品》消防规范标准要求,采用独特设计,耐高温电机内置,配置电机冷却系统,能在300℃高温条件下连续运行100分钟以上、100℃温度条件下连续20小时/次不损坏。广泛应用于高层民用建筑、地下车库、隧道地铁等场合。
4、适用范围广:可以根据高级民用建筑的不同要求,采用变速或多速驱动形式,以达到一机两用(即平常用通排风和消防高温排烟)的目的;叶型分为轴流式排烟HTF(GYF)-Ⅰ、Ⅱ、D1、D2和混流式排烟HTF(GYF)-Ⅲ、Ⅳ,亦可制成屋顶式、消音式。
5、效率高:本系列风机采用先进的CAD软件经多目标优化设计研制开发的新产品,经实测表明风机效率大于80%,部分大机号大于85%,并具有效率曲线平坦的特点,有利于节能。
6、安装方便,占地较离心风机少:该风机基本形式为轴流式风机或混流式风机。可直接与风管连接或壁式安装,安装形式可采用垂直式或水平式。很大程度上节省了占地面积。
HTF(GYF)-I型消防高温排烟轴流通风机性能参数表
机号 | 叶轮直径 (Φmm) | 风量 (m3/h) | 全压 (pa) | 功率 (kw) | 转速 (rpm) | A声级 dB(A) | 重量 (kg) |
3.5 | 350 | 6122 | 205 | 1.1 | 2900 | 76 | 45 |
5500 | 350 | ||||||
5008 | 368 | ||||||
4268 | 482 | ||||||
3500 | 552 | ||||||
4 | 400 | 6524 | 383 | 1.5 | 2900 | 78 | 55 |
6122 | 424 | ||||||
5232 | 483 | ||||||
4868 | 505 | ||||||
4525 | 530 | ||||||
4.5 | 450 | 7981 | 508 | 2.2 | 2900 | 79 | 70 |
6886 | 522 | ||||||
5886 | 588 | ||||||
5442 | 636 | ||||||
5023 | 698 | ||||||
5 | 500 | 9824 | 510 | 3 | 2900 | 80 | 85 |
9544 | 552 | ||||||
8861 | 610 | ||||||
8040 | 680 | ||||||
6817 | 752 | ||||||
5.5 | 550 | 12693 | 536 | 4 | 2900 | 86 | 100 |
12000 | 592 | ||||||
10920 | 643 | ||||||
9066 | 692 | ||||||
8256 | 756 | ||||||
6 | 600 | 16090 | 510 | 5.5 | 2900 | 86 | 125 |
15718 | 552 | ||||||
15102 | 610 | ||||||
14302 | 680 | ||||||
13197 | 760 | ||||||
6.5 | 650 | 21652 | 512 | 5.5 | 1450 | 88 | 150 |
19780 | 558 | ||||||
18000 | 620 | ||||||
17120 | 668 | ||||||
16254 | 702 | ||||||
7 | 700 | 24380 | 610 | 7.5 | 1450 | 88 | 170 |
23570 | 630 | ||||||
22439 | 655 | ||||||
20784 | 676 | ||||||
18908 | 728 |
机号 | 叶轮直径 (Φmm) | 风量 (m3/h) | 全压 (pa) | 功率 (kw) | 转速 (rpm) | A声级 dB(A) | 重量 (kg) |
8 | 800 | 31421 | 600 | 7.5 | 1450 | 89 | 190 |
30364 | 635 | ||||||
29172 | 661 | ||||||
28598 | 692 | ||||||
26012 | 723 | ||||||
9 | 900 | 33510 | 562 | 11 | 1450 | 90 | 250 |
32961 | 628 | ||||||
32297 | 668 | ||||||
30350 | 765 | ||||||
27513 | 840 | ||||||
10 | 1000 | 45679 | 630 | 11 | 1450 | 90 | 280 |
42960 | 665 | ||||||
40000 | 690 | ||||||
38200 | 736 | ||||||
35000 | 770 | ||||||
11 | 1100 | 53126 | 516 | 15 | 1450 | 92 | 350 |
51552 | 580 | ||||||
50128 | 647 | ||||||
48500 | 690 | ||||||
46658 | 726 | ||||||
12 | 1200 | 65862 | 582 | 18.5 | 960 | 93 | 420 |
62763 | 624 | ||||||
59300 | 680 | ||||||
58642 | 712 | ||||||
57748 | 740 | ||||||
13 | 1300 | 74708 | 600 | 18.5 | 960 | 94 | 480 |
71120 | 672 | ||||||
65370 | 710 | ||||||
61652 | 765 | ||||||
56031 | 807 | ||||||
14 | 1400 | 85511 | 612 | 22 | 960 | 95 | 530 |
79033 | 676 | ||||||
74111 | 718 | ||||||
68823 | 768 | ||||||
63312 | 812 | ||||||
15 | 1500 | 93800 | 623 | 22 | 960 | 95 | 580 |
90650 | 676 | ||||||
86115 | 710 | ||||||
82236 | 772 | ||||||
76041 | 819 | ||||||
16 | 1600 | 120233 | 652 | 30 | 960 | 96 | 690 |
113498 | 704 | ||||||
109686 | 762 | ||||||
99506 | 842 | ||||||
91210 | 912 |
HTF(GYF)-II型双速消防高温排烟轴流通风机性能参数表
机号 | 叶轮直径 (Φmm) | 风量 (m3/h) | 全压 (pa) | 转速 (rpm) | 功率 (kw) | A声级 dB(A) | 重量 (kg) |
5 | 500 | 9824 | 510 | 2900 | 3/2.5 | 86 | 110 |
9544 | 552 | ||||||
8861 | 610 | ||||||
8040 | 680 | ||||||
6817 | 752 | ||||||
4912 | 127 | 1450 | 75 | ||||
4772 | 138 | ||||||
4431 | 153 | ||||||
4020 | 170 | ||||||
3410 | 188 | ||||||
5.5 | 550 | 12693 | 536 | 2900 | 4/3 | 86 | 115 |
12000 | 592 | ||||||
10920 | 643 | ||||||
9066 | 692 | ||||||
8256 | 756 | ||||||
6347 | 134 | 1450 | 79 | ||||
6000 | 148 | ||||||
5460 | 161 | ||||||
4533 | 173 | ||||||
4128 | 189 | ||||||
6 | 600 | 16090 | 510 | 2900 | 5.5/4.5 | 86 | 165 |
15718 | 552 | ||||||
15102 | 610 | ||||||
14302 | 680 | ||||||
13197 | 760 | ||||||
8045 | 127 | 1450 | 75 | ||||
7859 | 138 | ||||||
7551 | 153 | ||||||
7151 | 170 | ||||||
6599 | 190 | ||||||
6.5 | 650 | 21652 | 512 | 1450 | 5.5/4.5 | 88 | 180 |
19780 | 558 | ||||||
18000 | 620 | ||||||
17120 | 668 | ||||||
16254 | 702 | ||||||
10826 | 128 | 960 | 82 | ||||
9890 | 140 | ||||||
9000 | 155 | ||||||
8560 | 167 | ||||||
8127 | 176 | ||||||
7 | 700 | 24380 | 610 | 1450 | 8/6.5 | 88 | 220 |
23570 | 630 | ||||||
22439 | 655 | ||||||
20784 | 676 | ||||||
18908 | 728 | ||||||
16141 | 267 | 960 | 80 | ||||
15605 | 276 | ||||||
14865 | 287 | ||||||
13856 | 296 | ||||||
12518 | 319 |
机号 | 叶轮直径 (Φmm) | 风量 (m3/h) | 全压 (pa) | 转速 (rpm) | 功率 (kw) | A声级 dB(A) | 重量 (kg) |
8 | 800 | 31421 | 600 | 1450 | 8/6.5 | 89 | 230 |
30364 | 635 | ||||||
29172 | 661 | ||||||
28598 | 692 | ||||||
26012 | 723 | ||||||
20800 | 263 | 960 | 80 | ||||
20103 | 278 | ||||||
19314 | 290 | ||||||
18934 | 303 | ||||||
17222 | 317 | ||||||
9 | 900 | 33510 | 562 | 1450 | 11/9 | 90 | 250 |
32961 | 628 | ||||||
32297 | 668 | ||||||
30350 | 765 | ||||||
27513 | 840 | ||||||
22186 | 246 | 960 | 81 | ||||
21822 | 275 | ||||||
21383 | 293 | ||||||
20094 | 335 | ||||||
18216 | 368 | ||||||
10 | 1000 | 45679 | 630 | 1450 | 11/9 | 90 | 305 |
42960 | 665 | ||||||
40000 | 690 | ||||||
38200 | 736 | ||||||
35000 | 770 | ||||||
30255 | 276 | 960 | 81 | ||||
28442 | 291 | ||||||
26483 | 302 | ||||||
25291 | 322 | ||||||
24019 | 338 | ||||||
11 | 1100 | 53126 | 516 | 1450 | 16/13 | 92 | 335 |
51552 | 580 | ||||||
50128 | 647 | ||||||
48500 | 690 | ||||||
46658 | 726 | ||||||
39844 | 290 | 960 | 83 | ||||
38664 | 326 | ||||||
37596 | 364 | ||||||
36375 | 387 | ||||||
34994 | 408 | ||||||
12 | 1200 | 65862 | 582 | 960 | 17/12 | 93 | 480 |
62763 | 624 | ||||||
59300 | 680 | ||||||
58642 | 712 | ||||||
55651 | 740 | ||||||
49396 | 327 | 720 | 83.5 | ||||
47072 | 351 | ||||||
44475 | 383 | ||||||
43982 | 400 | ||||||
43311 | 416 |
机号 | 叶轮直径 (Φmm) | 风量 (m3/h) | 全压 (pa) | 转速 (rpm) | 功率 (kw) | A声级 dB(A) | 重量 (kg) |
13 | 1300 | 74708 | 600 | 960 | 17/12 | 94 | 520 |
71120 | 672 | ||||||
65370 | 710 | ||||||
61652 | 765 | ||||||
56031 | 807 | ||||||
56031 | 338 | 720 | 84.5 | ||||
53340 | 378 | ||||||
49027 | 399 | ||||||
46989 | 430 | ||||||
42023 | 454 | ||||||
14 | 1400 | 85511 | 612 | 960 | 22/11 | 95 | 560 |
79033 | 676 | ||||||
74111 | 718 | ||||||
68823 | 768 | ||||||
63312 | 812 | ||||||
64133 | 344 | 720 | 85 | ||||
59275 | 380 | ||||||
55583 | 399 | ||||||
51617 | 432 | ||||||
47484 | 458 | ||||||
15 | 1500 | 93800 | 623 | 960 | 22/11 | 95 | 610 |
90650 | 676 | ||||||
86115 | 710 | ||||||
82236 | 772 | ||||||
76041 | 819 | ||||||
70350 | 350 | 720 | 85 | ||||
67988 | 380 | ||||||
64586 | 401 | ||||||
61677 | 434 | ||||||
57031 | 461 | ||||||
16 | 1600 | 120233 | 652 | 960 | 30/15 | 96 | 750 |
113498 | 704 | ||||||
109686 | 762 | ||||||
99506 | 842 | ||||||
91210 | 912 | ||||||
90175 | 366 | 720 | 86 | ||||
85116 | 396 | ||||||
82265 | 428 | ||||||
74630 | 473 | ||||||
68408 | 513 |
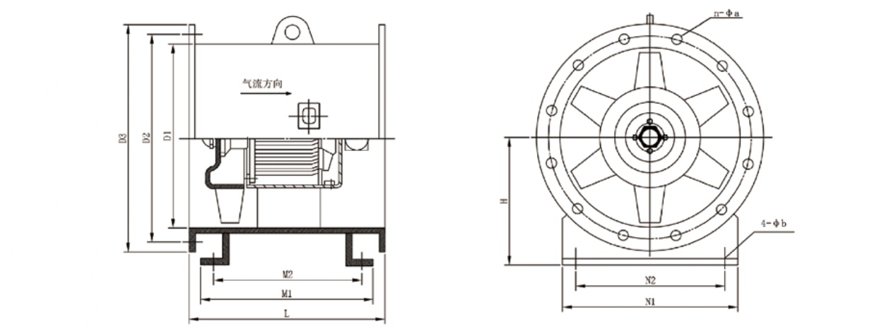
HTF(GYF)-I、II型消防高温排烟轴流通风机外形及安装尺寸

机号 | D1 | D2 | D3 | I型 | II型 | N1 | N2 | n-Φa | Φb | H | ||||
L | M1 | M2 | L | M1 | M2 | |||||||||
3.5 | Φ350 | Φ380 | Φ410 | 380 | 320 | 280 | 280 | 220 | 6-Φ8.5 | Φ11 | 250 | |||
4 | Φ400 | Φ430 | Φ460 | 400 | 340 | 300 | 320 | 220 | 6-Φ8.5 | Φ11 | 270 | |||
4.5 | Φ450 | Φ480 | Φ510 | 420 | 360 | 320 | 360 | 260 | 8-Φ8.5 | Φ11 | 300 | |||
5 | Φ500 | Φ535 | Φ570 | 500 | 440 | 400 | 480 | 420 | 380 | 400 | 300 | 8-Φ8.5 | Φ11 | 320 |
5.5 | Φ550 | Φ585 | Φ620 | 500 | 440 | 400 | 620 | 520 | 470 | 440 | 340 | 12-Φ10.5 | Φ13 | 350 |
6 | Φ600 | Φ635 | Φ670 | 600 | 500 | 460 | 730 | 630 | 590 | 480 | 380 | 12-Φ10.5 | Φ13 | 380 |
6.5 | Φ650 | Φ685 | Φ730 | 600 | 500 | 460 | 730 | 630 | 590 | 520 | 420 | 12-Φ10.5 | Φ13 | 420 |
7 | Φ700 | Φ740 | Φ780 | 670 | 570 | 520 | 780 | 680 | 630 | 560 | 460 | 12-Φ10.5 | Φ13 | 450 |
8 | Φ800 | Φ840 | Φ880 | 700 | 600 | 550 | 780 | 680 | 630 | 640 | 540 | 16-Φ10.5 | Φ13 | 500 |
9 | Φ900 | Φ940 | Φ980 | 780 | 680 | 630 | 830 | 730 | 680 | 720 | 620 | 16-Φ12.5 | Φ15 | 550 |
10 | Φ1000 | Φ1050 | Φ1100 | 820 | 720 | 670 | 830 | 730 | 680 | 800 | 700 | 16-Φ12.5 | Φ15 | 600 |
11 | Φ1100 | Φ1150 | Φ1200 | 900 | 750 | 700 | 1000 | 850 | 800 | 880 | 780 | 16-Φ12.5 | Φ15 | 660 |
12 | Φ1200 | Φ1250 | Φ1300 | 1150 | 1000 | 940 | 1150 | 1000 | 940 | 960 | 860 | 20-Φ12.5 | Φ15 | 710 |
13 | Φ1300 | Φ1350 | Φ1400 | 1150 | 1000 | 940 | 1150 | 1000 | 940 | 1040 | 940 | 20-Φ12.5 | Φ15 | 760 |
14 | Φ1400 | Φ1450 | Φ1500 | 1150 | 1000 | 940 | 1150 | 1000 | 940 | 1120 | 1020 | 20-Φ12.5 | Φ15 | 810 |
15 | Φ1500 | Φ1550 | Φ1600 | 1150 | 1000 | 940 | 1150 | 1000 | 940 | 1200 | 1100 | 24-Φ12.5 | Φ15 | 860 |
16 | Φ1600 | Φ1650 | Φ1700 | 1400 | 1200 | 1220 | 1400 | 1250 | 1220 | 1280 | 1180 | 24-Φ12.5 | Φ15 | 920 |
注:为了同用户的安装尺寸保持一致,法兰打孔尺寸(n-Φa)仅供参考,若用户没有说明,本公司一般不打孔.